最近在线中文字幕更新_亚洲第一页在线播放_国产乱子伦视频在线观看_夭天干天天做天天免费看,亚洲视频在线不卡,最近中文字幕无吗高清网,亚洲涩综合

快速導航
 
跑偏開關主要用途及適用范圍
接近開關傳感器的優點
接近開關廠家開關插座三個重要原則電路安全有
光電開關光電傳感器原理解析
開關變換器中的電感和電容
六大類接近開關的介紹
光電開關、接近開關的應用電路
雙向拉繩開關的工作原理與聲光報警器的安裝注
接近開關接線方法
三倍頻電源發生器現場試驗時有哪些注意事項?
如何最大限度使用磁翻板液位計進行工作
光電傳感器主要特點是什么?
SD30-1210KA SD30-2410KA旋轉監測儀
平衡流量傳感器的工作原理及優點的詳細介紹
雙向拉繩開關有什么作用?
快速搜索
 
樣本手冊
 
 當前位置:首頁 - 其他內容 - 技術支持
 
南京凱基特電氣供應:速度打滑檢測器KJT-SJ
 
更新時間:2014.02.24 瀏覽次數:
 

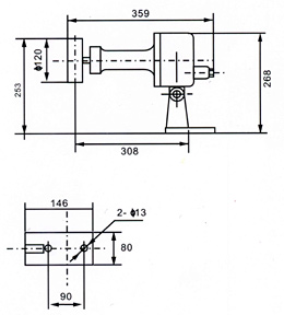
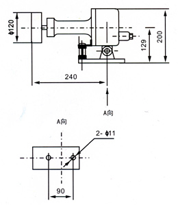
速度打滑檢測器 KJT-SJ

速度打滑檢測器KJT-SJ

◆工作原理 
    當觸輪隨膠帶機運行而旋轉時而帶動機內的脈沖盤,在脈沖盤旋轉時傳感器的磁應信號輸入到控制電路中去,經放大整形后進行計數。其計數值與預置數比較,判斷膠帶的帶速,即:正常速度、打滑或超速等等。同時執行電路輸出相應的開關信號。 
◆安裝與使用 
    本機安裝在輸送機膠帶的下面,安裝后應保證膠帶有料情況下使打滑檢測器與膠帶面平行,同時膠帶無

速度打滑檢測器速度打滑檢測器

速度打滑檢測器

速度打滑檢測器

本站推薦:南京凱基特電氣有限公司主營接近開關光電開關拉繩開關等電氣用品,支持批發代理加盟。
首頁 |  全部產品 |  實用文章 |  新聞動態 |  工程案例 |  企業簡介 |  購物車 |  聯系我們 | 
點擊咨詢傳感器廠家固定電話:400-6366-987 傳真:025-66600375 網站技術支持:南京seo
抚州市| 罗平县| 德安县| 阿尔山市| 犍为县| 文昌市| 馆陶县| 定兴县| 芜湖县| 任丘市| 芦溪县| 平顺县| 阜康市| 巫山县| 泰宁县| 那曲县| 固原市| 沈丘县| 阳山县| 通辽市| 乌苏市| 临桂县| 密山市| 五峰| 通渭县| 吴旗县| 五台县| 孟连| 会理县| 文成县| 霞浦县| 淮滨县| 红河县| 新和县| 德江县| 缙云县| 江华| 永和县| 陕西省| 永胜县| 永清县|