最近在线中文字幕更新_亚洲第一页在线播放_国产乱子伦视频在线观看_夭天干天天做天天免费看,亚洲视频在线不卡,最近中文字幕无吗高清网,亚洲涩综合

產品導航
接近傳感器 
電感式接近傳感器 
金屬感應面電感式接近傳感器 
超小型電感式接近傳感器 
增強遠距離接近傳感器 
耐腐蝕接近傳感器 
環形傳感器 
耐高溫接近傳感器 
電容式接近傳感器 
管道液位控制器 
磁感應接近傳感器 
霍爾傳感器 
速度傳感器 
齒輪測速傳感器 
速度控制開關 
耐高壓接近傳感器 
NAMUR本安接近開關 
光傳感器 
光電開關 
光學編碼器 
色標RGB傳感器 
激光傳感器 
超小型光電傳感器 
遠距離光電傳感器 
位移傳感器 
模擬量光電傳感器 
電渦流位移傳感器 
拉繩(線)位移傳感器 
彈簧自動伸縮位移傳感器 
壓力傳感器 
稱重系列傳感器 
壓力系列傳感器 
張力系列傳感器 
電子壓力繼電器 
溫度傳感器 
帶式輸送機保護裝置 
跑偏開關 
拉繩開關 
速度打滑檢測器 
料流檢測器 
料位檢測器 
縱向撕裂檢測器 
污水泵自動控制裝置 
膠帶輸送機故障顯示器 
帶地址碼輸送帶保護裝置 
鋼鐵行業專用檢測裝置 
冷熱金屬檢測器 
行車防撞保護器 
紡織行業專用傳感器 
傳感器配件 
替代進口品牌傳感器 
光纖傳感器 
耐高溫傳感器 
耐高溫接近開關 
耐高溫光電傳感器 
耐高溫行程限位開關 
光幕傳感器 
安全光幕傳感器 
經濟型安全光幕 
測量光幕傳感器 
行程限位開關 
防水型限位開關 
KA行程開關 
KB行程開關 
KC限位開關 
KD限位開關 
KE限位開關 
KF限位開關 
重型限位開關 
耐高溫行程限位開關 
防爆行程限位開關 
超聲波傳感器 
超聲波傳感器 
超聲波料位(液位)計 
智能脈沖雷達物位計 
無線傳感器 
無線傳感器 
自動化智能控制事業部 
測量傳感器 
視覺缺陷檢測 
 
24小時服務熱線
 當前位置:首頁 - 產品中心 - 接近傳感器 - 耐高壓接近傳感器
 
M12接插式耐高壓接近開關
 
產品名稱:M12接插式耐高壓接近開關

產品編號:17459-848

產品型號:KJT系列

更新時間:2017.03.31

出品單位:光電接近開關-南京凱基特電氣有限公司


   產品詳細介紹
 
南京凱基特電氣有限公司針對液壓傳動系統的應用環境,提供的耐高壓接近開關可在高壓高溫惡劣環境中應用自如。其外殼采用耐腐蝕的材料和特種密封方法,根據應用位置的要求不同,可提供最高壓力為0-600bap的各種產品。而對于外殼直徑、螺紋尺寸等的要求,我公司也可以根據用戶的特定需求來定制提供。 
   
  該產品的傳感、輸出放大部份是一體化的,無需另配放大器即可直接用一個繼電器來進行有效地控制,該傳感器提供了固定的密封電纜線或插頭來進行電氣連接。 
   
  1.具有良好的防水,抗干擾性能。2.符合國家3C標準。3.適用于各種惡劣環境(不銹鋼)。4.更高的接插件強度。更容易識別的LED顯示燈。5.具有多種出線方式(導線引出式,連接器式)6.全部采用進口元器件,自動化的生產工藝,嚴格的檢測手段,完善的售后服務。從根本上保證了產品質量。
 
(選型時 請和客服索要 選型資料)

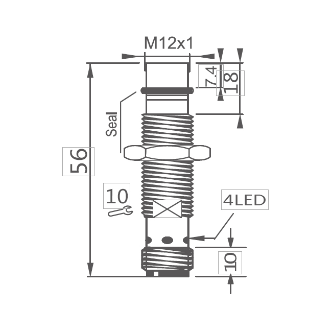
外觀規格 [mm]
M1 2 (外殼可以根據客戶要求)
螺紋規格 [mm] M1 2  (螺紋可以根據客戶要求)
安裝方式 埋入式 非埋入式
檢測距離 [mm] 2 ----
設定距離 0 … 1.5 mm
輸出方式 NPN/PNP NO/NC
電源電壓 [V] 6 … 30V
標準標靶 Fe 1 2 *1 2 *1t
開關點偏移 [%/Sr] ≤± 10%
遲滯范圍 [%/Sr] 1 … 15%
重復誤差 ≤ 3%
負載電流 ≤ 200mA
殘留電壓 ≤ 2.5VDC
消耗電流 ≤ 15mA
保護回路 浪涌,過載,短路,逆極性保護
耐受壓力 500bar
環境溫度 [ ℃ ] -25 … 70 ℃
環境濕度 35 … 95%RH
開關頻率 [HZ] 2000Hz
耐電壓 1000V/AC50/60Hz 60S
絕緣阻抗 ≥ 50M Ω( 500VDC )
耐振動 復振幅 1.5mm10 … 50HZ ( X , Y , Z 方向各 2 小時)
防護等級 IP68
外殼材料 不銹鋼
接線方式 2 米電纜
 
本站推薦:南京凱基特電氣有限公司主營接近開關光電開關拉繩開關等電氣用品,支持批發代理加盟。
首頁 |  全部產品 |  實用文章 |  新聞動態 |  工程案例 |  企業簡介 |  購物車 |  聯系我們 | 
點擊咨詢傳感器廠家固定電話:400-6366-987 傳真:025-87168200 網站技術支持:南京seo備案號:蘇ICP備12080292號
太原市| 天台县| 广饶县| 肥城市| 罗江县| 长丰县| 乌拉特前旗| 类乌齐县| 沅陵县| 舟山市| 克山县| 花莲市| 奉化市| 沧源| 华宁县| 林周县| 三明市| 龙胜| 行唐县| 双桥区| 巨鹿县| 商丘市| 华亭县| 无为县| 南部县| 南开区| 安福县| 普定县| 印江| 桐乡市| 定州市| 天祝| 加查县| 德令哈市| 齐齐哈尔市| 吉首市| 凤阳县| 太康县| 仙桃市| 惠东县| 长沙县|