技術參數:
電源電壓:8-30VDC,
電流消耗:最大15mA
反極性保護
輸出信號Vo:推挽式輸出Imax=+/-20mA,Ulow<2.5V,Uhigh>Usupply-3.5V
頻率范圍:5-20KHz
空氣間隙:模數0.5:0.1to0.3mm;模數1:0.1to1.5mm;模數2:0.1to2.0mm
抗震性:5gn(5…2000Hz范圍內)
抗沖擊:0gn(20ms期間內,半正弦波)
防護等級:傳感器頭部:IP68;電纜銜接部分和連接器:IP67
溫度范圍:-40°C…+125°C
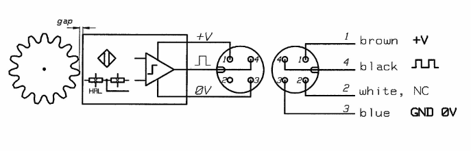
接線圖:

|