最近在线中文字幕更新_亚洲第一页在线播放_国产乱子伦视频在线观看_夭天干天天做天天免费看,亚洲视频在线不卡,最近中文字幕无吗高清网,亚洲涩综合

凱基特
產品導航
接近傳感器 
電感式接近傳感器 
金屬感應面電感式接近傳感器 
超小型電感式接近傳感器 
增強遠距離接近傳感器 
耐腐蝕接近傳感器 
環形傳感器 
耐高溫接近傳感器 
電容式接近傳感器 
管道液位控制器 
磁感應接近傳感器 
霍爾傳感器 
速度傳感器 
齒輪測速傳感器 
速度控制開關 
耐高壓接近傳感器 
NAMUR本安接近開關 
光傳感器 
光電開關 
光學編碼器 
色標RGB傳感器 
激光傳感器 
超小型光電傳感器 
遠距離光電傳感器 
位移傳感器 
模擬量光電傳感器 
電渦流位移傳感器 
拉繩(線)位移傳感器 
彈簧自動伸縮位移傳感器 
壓力傳感器 
稱重系列傳感器 
壓力系列傳感器 
張力系列傳感器 
電子壓力繼電器 
溫度傳感器 
帶式輸送機保護裝置 
跑偏開關 
拉繩開關 
速度打滑檢測器 
料流檢測器 
料位檢測器 
縱向撕裂檢測器 
污水泵自動控制裝置 
膠帶輸送機故障顯示器 
帶地址碼輸送帶保護裝置 
鋼鐵行業專用檢測裝置 
冷熱金屬檢測器 
行車防撞保護器 
紡織行業專用傳感器 
傳感器配件 
替代進口品牌傳感器 
光纖傳感器 
耐高溫傳感器 
耐高溫接近開關 
耐高溫光電傳感器 
耐高溫行程限位開關 
光幕傳感器 
安全光幕傳感器 
經濟型安全光幕 
測量光幕傳感器 
行程限位開關 
防水型限位開關 
KA行程開關 
KB行程開關 
KC限位開關 
KD限位開關 
KE限位開關 
KF限位開關 
重型限位開關 
耐高溫行程限位開關 
防爆行程限位開關 
超聲波傳感器 
超聲波傳感器 
超聲波料位(液位)計 
智能脈沖雷達物位計 
無線傳感器 
無線傳感器 
自動化智能控制事業部 
測量傳感器 
視覺缺陷檢測 
 
24小時服務熱線
 當前位置: 產品世界 - 帶式輸送機保護裝置 - 速度打滑檢測器 -
 
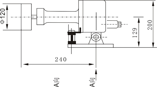
速度打滑檢測器
 
產品名稱:速度打滑檢測器

產品編號:0380-480

產品型號:KJT-SJ

更新時間:2024-05-28 10:11:36

出品單位:南京凱基特電氣有限公司


   產品詳細介紹

產品介紹:    

本機用于對輸送機帶速進行線性檢測的新型裝置,對帶速進行實時監測,已廣泛應用于輸送系統中的膠帶上,為膠帶機的安全運行提供了可靠的檢測手段。 
◆技術參數 
1、用環境條件 
a、環境溫度:-15℃~+40℃  
b、相對濕度:不大于80% 
2、主要技術參數 
a、工作電壓:220VAC±10%  
b、測速范圍:20~999r/min 
c、整機功耗〈15W     
d、開關形式:常閉型 
◆結構特點 
1、機由觸輪、脈沖盤、電子脈沖開關、殼體等組成,觸輪采用鑄鐵鑄造,表面銑槽以耐磨護打滑作用。殼體采用鋁鑄造,聯接處配有密封圈即使本機減輕重量與較好防水性能。 
2、機內開關采用常閉型、若帶速低于80%既可跳閘或停機。 
◆工作原理 
    當觸輪隨膠帶機運行而旋轉時而帶動機內的脈沖盤,在脈沖盤旋轉時傳感器的磁應信號輸入到控制電路中去,經放大整形后進行計數。其計數值與預置數比較,判斷膠帶的帶速,即:正常速度、打滑或超速等等。同時執行電路輸出相應的開關信號。 
◆安裝與使用 
    本機安裝在輸送機膠帶的下面,安裝后應保證膠帶有料情況下使打滑檢測器與膠帶面平行,同時膠帶無

本站推薦:南京凱基特電氣有限公司主營 接近開關、 光電開關、 拉繩開關 等電氣用品,支持批發代理加盟。
首頁 |  全部產品 |  實用文章 |  新聞動態 |  工程案例 |  企業簡介 |  購物車 |  聯系我們 | 
固定電話: 025-66075066 備案號:蘇ICP備12080292號
昭平县| 宁津县| 龙胜| 金乡县| 白朗县| 二连浩特市| 涟源市| 邢台县| 油尖旺区| 顺平县| 柳州市| 社会| 乌兰浩特市| 饶平县| 靖州| 盖州市| 乐昌市| 内江市| 洞头县| 呼伦贝尔市| 桃园县| 西贡区| 宜宾市| 赫章县| 仁寿县| 寻乌县| 河西区| 新疆| 双牌县| 黑山县| 梨树县| 阿坝| 邻水| 土默特右旗| 铅山县| 安新县| 南召县| 赤城县| 天长市| 巩留县| 武宁县|