最近在线中文字幕更新_亚洲第一页在线播放_国产乱子伦视频在线观看_夭天干天天做天天免费看,亚洲视频在线不卡,最近中文字幕无吗高清网,亚洲涩综合

凱基特
快速導航
 
快速搜索
產品 新聞 下載
           
             
 
樣本手冊
 
 當前位置:營銷網絡 - 技術支持 -
 
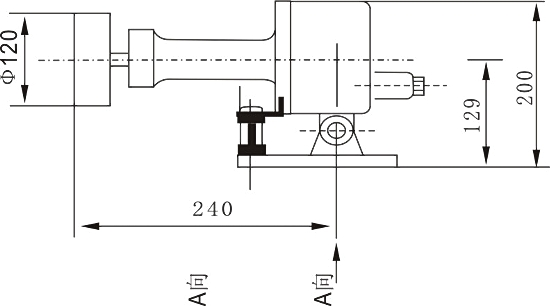
南京凱基特電氣供應:速度打滑檢測器KJT-SJ
 
錄入時間:2014-02-24 14:19:29瀏覽次數:1
 

速度打滑檢測器 KJT-SJ

速度打滑檢測器KJT-SJ

◆工作原理 
    當觸輪隨膠帶機運行而旋轉時而帶動機內的脈沖盤,在脈沖盤旋轉時傳感器的磁應信號輸入到控制電路中去,經放大整形后進行計數。其計數值與預置數比較,判斷膠帶的帶速,即:正常速度、打滑或超速等等。同時執行電路輸出相應的開關信號。 
◆安裝與使用 
    本機安裝在輸送機膠帶的下面,安裝后應保證膠帶有料情況下使打滑檢測器與膠帶面平行,同時膠帶無

速度打滑檢測器速度打滑檢測器

速度打滑檢測器

速度打滑檢測器

本站推薦:南京凱基特電氣有限公司主營 接近開關光電開關拉繩開關 等電氣用品,支持批發代理加盟。
首頁 |  全部產品 |  實用文章 |  新聞動態 |  工程案例 |  企業簡介 |  購物車 |  聯系我們 | 
固定電話: 025-66075066 備案號:蘇ICP備12080292號
河北省| 洞头县| 丽水市| 墨江| 鲁山县| 宝兴县| 南陵县| 盱眙县| 瑞安市| 潜江市| 城固县| 鄂尔多斯市| 新安县| 荣昌县| 禄劝| 巴林左旗| 新宁县| 彰化县| 秭归县| 简阳市| 县级市| 佛学| 平泉县| 四平市| 祁门县| 进贤县| 招远市| 阳新县| 监利县| 方山县| 红安县| 明溪县| 阿巴嘎旗| 和林格尔县| 永定县| 会昌县| 虞城县| 大庆市| 双江| 高青县| 霸州市|